
12年專注精密減速機生產、銷售廠家






● 全一體化設計,精度提高到最大化。
● 雙支撐籠式行星架結構,擁有高可靠精度,可適應頻繁反轉。
● 斜齒轉動,傳動更平穩,更大的承載能力。
● 低回程間隙,定位更準確。
●特殊轉架結構,可以承載更大的徑向力和軸向力。
規格范圍:60-180
速比范圍:3-100;
精度范圍:1-3rcmin(P1)級
3-5rcmin(P1)級

| JXF標準行星減速機系列 | ||||||
| JXF | 90 | L1 | 5 | P1 | ||
| 產品系列 | 產品規格 | 級數 | 傳動比 | 背隙 | 輸出形式 | 備注 |
| 60、 80、 90、 120、140、180、220 | L1:=1級 L2:=2級 |
L2: 9 12 15 16 20 25 30 35 40 50 70 100
|
P1=精密間隙 |
S1=光軸輸出 無=帶鍵輸出 |
電機制造商及規格型號。可以直接提供輸出連接尺寸 | |
| 技術參數 / 規格 | JFX60 | JFX90 | JFX120 | JFX140 | JFX180 | ||
| 級數 | 速比 | ||||||
| 額定扭矩(Nm)Tn | L1 | 3 | 40 | 105 | 165 | 350 | 880 |
| 4 | 45 | 130 | 230 | 480 | 880 | ||
| 5 | 45 | 130 | 230 | 480 | 1100 | ||
| 6 | 45 | 130 | 225 | 480 | 1100 | ||
| 7 | 45 | 100 | 220 | 480 | 1100 | ||
| 8 | 40 | 90 | 200 | 440 | 880 | ||
| 9 | 30 | 75 | 175 | 360 | 770 | ||
| 10 | 30 | 75 | 175 | 360 | 770 | ||
| L2 | 15 | 40 | 105 | 165 | 360 | 880 | |
| 20 | 450 | 110 | 230 | 480 | 880 | ||
| 35 | 45 | 110 | 230 | 480 | 1100 | ||
| 40 | 45 | 110 | 230 | 480 | 1100 | ||
| 50 | 45 | 110 | 230 | 480 | 1100 | ||
| 70 | 45 | 100 | 220 | 480 | 1100 | ||
| 100 | 30 | 75 | 175 | 360 | 770 | ||
| 防護等級 | IP65 | ||||||
| 工作溫度 | 90℃至-10℃ | ||||||
| 技術參數 / 規格 |
JFX60 |
JFX90 | JFX120 | JFX140 | JFX180 | |||
| 最大扭矩 | Nm | 1.5倍額定扭矩 | ||||||
| 緊急制動扭矩 | Nm | 2.5倍額定扭矩 | ||||||
| 最大容許徑向力 | N | 1530 | 3250 | 6700 | 9400 | 14500 | ||
| 最大容許軸向力 | N | 630 | 1300 | 3000 | 4700 | 7250 | ||
| 抗扭剛力 | Nm/arcmin | 6 | 12 | 23 | 47 | 130 | ||
| 最大額定輸入轉速 | rpm | 8000 | 8000 | 8000 | 6000 | 6000 | ||
| 額定輸入轉速 | rpm | 5000 | 4000 | 4000 | 3000 | 3000 | ||
| 噪音 | dB | ≤58 | ≤60 | ≤65 | ≤68 | ≤68 | ||
| 平均壽命 | h | 20000 | ||||||
| 滿載效率 | % | L1≥95% L2≥90% | ||||||
| 回程間隙 | P1 | L1 | arcmin | ≤5 | ≤5 | ≤5 | ≤5 | ≤5 |
| L2 | arcmin | ≤7 | ≤7 | ≤7 | ≤7 | ≤7 | ||
| P2 | L1 | arcmin | ≤8 | ≤8 | ≤8 | ≤8 | ≤8 | |
| L2 | arcmin | ≤10 | ≤10 | ≤10 | ≤10 | ≤10 | ||
| 轉動慣量 | L1 | 3 | Kg.cm2 | 0.16 | 0.61 | 3.25 | 9.21 | 28.98 |
| 4 | Kg.cm2 | 0.14 | 0.48 | 2.74 | 7.54 | 23.67 | ||
| 5 | Kg.cm2 | 0.13 | 0.47 | 2.71 | 7.42 | 23.29 | ||
| 6 | Kg.cm2 | 0.13 | 0.47 | 2.71 | 7.42 | 22.29 | ||
| 7 | Kg.cm2 | 0.13 | 0.45 | 2.62 | 7.14 | 22.48 | ||
| 8 | Kg.cm2 | 0.13 | 0.45 | 2.60 | 7.14 | 22.48 | ||
| 9 | Kg.cm2 | 0.13 | 0.42 | 2.59 | 7.08 | 22.40 | ||
| 10 | Kg.cm2 | 0.13 | 0.40 | 2.57 | 7.03 | 22.51 | ||
| L2 | 15 | Kg.cm2 | 0.13 | 0.45 | 0.45 | 2.63 | 7.30 | |
| 20 | Kg.cm2 | 0.13 | 0.45 | 0.45 | 2.63 | 7.30 | ||
| 35 | Kg.cm2 | 0.13 | 0.45 | 0.45 | 2.43 | 7.10 | ||
| 40 | Kg.cm2 | 0.13 | 0.45 | 0.45 | 2.43 | 6.92 | ||
| 50 | Kg.cm2 | 0.13 | 0.40 | 0.40 | 2.39 | 6.92 | ||
| 70 | Kg.cm2 | 0.13 | 0.40 | 0.40 | 2.39 | 6.72 | ||
| 100 | Kg.cm2 | 0.13 | 0.40 | 0.40 | 2.39 | 6.72 | ||


| 機型/代號 | JFX-L1 | ||||||||||||||||||||||||
| D1 | D2 | D3 | D4 | D5 | D6 | D7 | D8 | L1 | L2 | L3 | L4 | L5 | L6 | L7 | L8 | A1 | A2 | S1 | S2 | S3 | S4 | B | H | C | |
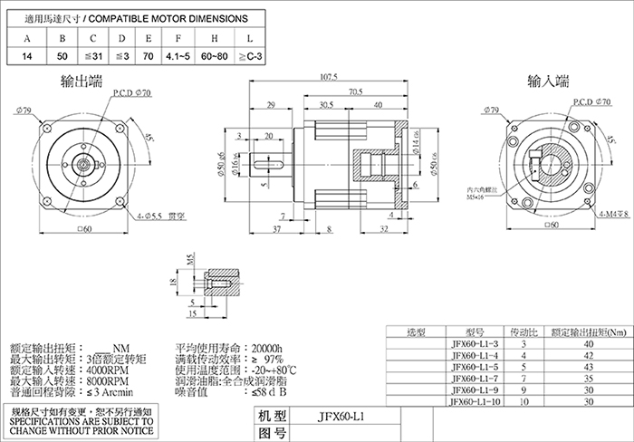
| JFX60-L1 | 16 | 50 | 14 | 50 | 70 | 5.5 | 70 | M4 | 29 | 7 | 8 | 37 | 4 | 32 | 70.5 | 107.5 | 60 | 60 | 3 | 20 | 5 | 15 | 5 | 18 | M5 |
| JFX90-L1 | 22 | 80 | 19 | 70 | 100 | 6.5 | 90 | M5 | 39.5 | 7 | 8.5 | 48 | 5 | 48 | 106.5 | 154.5 | 90 | 90 | 3 | 32 | 5 | 17 | 6 | 24.5 | M6 |
| JFX120-L1 | 32 | 110 | 22 | 110 | 130 | 8.5 | 145 | M8 | 50 | 10 | 12 | 62 | 7 | 60 | 131.5 | 193.5 | 120 | 130 | 5 | 40 | 6 | 25 | 10 | 35 | M12 |
| JFX140-L1 | 40 | 130 | 35 | 114.3 | 165 | 11 | 200 | M12 | 82.5 | 12 | 12 | 97 | 10 | 82 | 164 | 261 | 140 | 176 | 5 | 65 | 10 | 36 | 12 | 43 | M16 |
| JFX180-L1 | 55 | 160 | 35 | 114.3 | 215 | 13.5 | 200 | M12 | 82 | 20 | 15 | 105 | 10 | 81 | 176.5 | 281.5 | 180 | 180 | 6 | 70 | 10 | 50 | 16 | 59 | M20 |

| 機型/代號 | JFX-L2 | ||||||||||||||||||||||||
| D1 | D2 | D3 | D4 | D5 | D6 | D7 | D8 | L1 | L2 | L3 | L4 | L5 | L6 | L7 | L8 | A1 | A2 | S1 | S2 | S3 | S4 | B | H | C | |
| JFX60-L2 | 16 | 50 | 14 | 50 | 70 | 5.5 | 70 | M4 | 29 | 7 | 8 | 37 | 4 | 32 | 98 | 135 | 60 | 60 | 3 | 20 | 5 | 15 | 5 | 18 | M5 |
| JFX90-L2 | 22 | 80 | 19 | 70 | 100 | 6.5 | 90 | M5 | 39.5 | 7 | 8.5 | 48 | 5 | 48 | 141 | 189 | 90 | 90 | 3 | 32 | 5 | 17 | 6 | 24.5 | M6 |
| JFX120-L2 | 32 | 110 | 22 | 110 | 130 | 8.5 | 145 | M8 | 50 | 10 | 12 | 62 | 7 | 60 | 182.5 | 244.5 | 120 | 130 | 5 | 40 | 6 | 25 | 10 | 35 | M12 |
| JFX140-L2 | 40 | 130 | 35 | 114.3 | 165 | 11 | 200 | M12 | 82.5 | 12 | 12 | 97 | 10 | 82 | 218.5 | 315.5 | 140 | 176 | 5 | 65 | 10 | 36 | 12 | 43 | M16 |
| JFX180-L2 | 55 | 160 | 35 | 114.3 | 215 | 13.5 | 200 | M12 | 82 | 20 | 15 | 105 | 10 | 81 | 244.5 | 349.5 | 180 | 180 | 6 | 70 | 10 | 50 | 16 | 59 | M20 |
